ШУН-Ц-КМ-220-2-2,2
Назначение
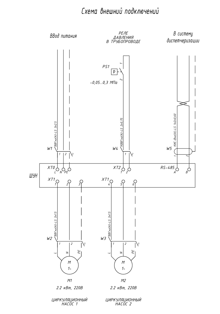
"Шкаф предназначен для ручного и автоматического управления насосной станцией из 2 циркуляционных насосов мощностью 1,5 кВт с напряжением питания 380В. Общий номинальный ток составляет 11 А.
Реализована возможность подключения дополнительного насоса и удалённая диспетчеризация по интерфейсу RS-485, протокол Modbus-RTU.
Выбор режима работы (ручной / автоматический) осуществляется переключателями на лицевой двери шкафа. Индикация состояния насосов выполнена светодиодными лампами.
Шкаф собран на базе готового технологического контроллера ""ОВЕН СУНА-121.02"" и является серийно выпускаемой электротехнической продукцией нашей компании."
Функционал
- поочерёдное управление насосами
- ручной и автоматический режимы работы
- местное и дистанционное управление ""сухим контактом""
- защита двигателей от короткого замыкания
- защита от ""Сухого хода"" (реле протока, реле перепада давления или общему реле давления в контуре)
- удалённая диспетчеризация по RS-485 (Modbus-RTU)
- контроль перегрева насосов
- общий и раздельные реле перепада давления или протока для каждого насоса
- контроль перегрева насосов
Технические характеристики
- габаритные размеры шкафа: 700 х 500 х 200мм.
- тип насосов: циркуляционные
- метод управления: контакторами
- напряжение питания: 380 В.
- мощность насосов: 1,5 кВт
- номинальный ток двигателей: 11А
- количество насосов: 2 шт.
- дистанционное управление: сухой контакт
- удалённая диспетчеризация: RS-485 (Modbus-RTU )
Сроки и комплект поставки
Срок поставки: 5 - 10 рабочих дней с момента оплаты
Комплект поставки:
- Шкаф управления
- Руководство по эксплуатации
- Схема внешних подключений
- Принципиальная электрическая схема
- Сертификат ТР ТС 004/2011 "О безопасности низковольтного оборудования"
- Сертификат ТР ТС 020/2011 "Электромагнитная совместимость технических средств"
Схема подключения
Типовая схема подключения представлена на рисунке ниже


Внутренний вид шкафа с набором электротехнических компонентов

Общий вид шкафа
